首頁
公司介紹
新聞中心
組織機構
服務理念
售後服務
聯系我們
産品中心
jtgk.png

産品中心

D341F46法蘭襯氟塑料蝶閥

您的位置:閥門 - 蝶閥 - D341F46法蘭襯氟塑料蝶閥 更新時間:2026-01-12 02:01:56
D341F46法蘭襯氟塑料蝶閥
    • 質量安全:壓力、材質、密封等全方位檢測确保質量過關!
    • 價格比較:在相同品質的情況下,廠裏直銷,更具有優勢!
    • 交貨快捷:常規産品現貨供應,生産加工銷售一條龍服務!
      上海凱利科閥門緻力于高品質閥門的設計、研發、生産銷售服務于一體的大型閥門企業,科技創新,永不止步,與您攜手共創輝煌...

    • 産品描述
    • 在線詢價
    • 技術咨詢
    D341F46法蘭襯氟塑料蝶閥D341F46法蘭襯氟塑料蝶閥

    D341F46法蘭襯氟塑料蝶閥廣泛用于防腐管道系統上。主要用以實現閥門的開啓、關閉與調節。全襯聚四氟乙烯(F4)、聚三氟氯乙烯(F3)和聚全氟乙丙烯(F46)氟塑料襯裏閥,具有耐腐蝕、無洩漏、壽命長等優點。 适用于濃硫酸、鹽酸、硝酸、氫氟酸、王水、各種有機酸、強酸、氧化性介質或高溫烯硫酸、高溫濃醋酸、酸堿交替及多種有機溶劑和其它強腐蝕性介質。

    産品名稱: 法蘭襯氟塑料蝶閥 産品型号: D341F46
    公稱通徑: DN40~DN1200 閥座密封: F4、F46
    公稱壓力: 1.0Mpa~1.6MPa 連接方式: 對夾式、法蘭式
    适用溫度: -25ºC~+150ºC 驅動方式: 手動、蝸輪、電動、氣動
    閥體材質: 鑄鐵、鑄鋼、不鏽鋼 制造标準: 國标GB、德國DIN、美國API、ANSI
    适用介質: 強酸、堿、硫酸、王水腐蝕性液體 生産廠家: 上海凱利科閥門有限公司

    産品說明

    D341F46法蘭襯氟塑料蝶閥廣泛用于防腐管道系統上。主要用以實現閥門的開啓、關閉與調節。全襯聚四氟乙烯(F4)、聚三氟氯乙烯(F3)和聚全氟乙丙烯(F46)氟塑料襯裏閥,具有耐腐蝕、無洩漏、壽命長等優點。 适用于濃硫酸、鹽酸、硝酸、氫氟酸、王水、各種有機酸、強酸、氧化性介質或高溫烯硫酸、高溫濃醋酸、酸堿交替及多種有機溶劑和其它強腐蝕性介質。

    産品特點

    1、中線蝶閥爲整個蝶闆與閥座在360°圓周内同心(中線),具有雙向密封功能,壓力,流量可自由調節;
    2、四級加載彈性密封,絕對保證了閥門内、外的零洩漏;
    a、軸頭、蝶闆園周連接處的特殊過渡曲線與閥座的合理過盈;
    b、軸頭端面采用彈性O型圈和軸肩處剛性墊圈、彈性橡膠墊組合;
    c、軸的徑向采用O型圈與金屬墊的組合;
    d、閥座鑲在有彈性條的閥體的槽内;
    3、采用可調彈性彈子定位。定位準确,結構簡單。

    應用标準

    設計标準 GB12238
    結構長度 GB12221
    法蘭标準 JB/T79-94
    GB9113.1-26
    檢驗試驗 GB/T13927
    驅動方式 蝸輪、手動、電動、氣動

    性能規範

    零件名稱 材料
    上下閥體 鑄鐵、鑄鋼、不鏽鋼、襯F46、F4
    閥座 鑄鋼
    帶杆蝶闆 鑄鋼、不鏽鋼、襯F46、F4
    填料 F4
    襯墊 矽橡膠
    蝸輪手柄 球墨鑄鐵

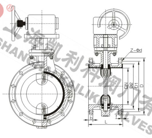
    外形結構圖

    D341F46法蘭襯氟塑料蝶閥主要外形尺寸

    公稱通經 L D D1 D2 f b Z-φd
    DN(mm) NPS(inch) PN1.0MPa
    40 3/2 106 145 110 85 3 18 4-φ18
    50 2 108 160 125 100 3 20 4-φ18
    65 5/2 112 180 145 120 3 20 4-φ18
    80 3 114 195 160 135 3 22 4-φ18
    100 4 127 215 180 155 3 22 8-φ18
    125 5 140 245 210 185 3 24 8-φ18
    150 6 140 280 240 210 3 24 8-φ23
    200 8 152 335 295 265 3 26 8-φ23
    250 10 250 390 350 320 3 28 12-φ23
    300 12 270 440 400 368 3 28 12-φ23
    350 14 290 500 460 428 4 30 16-φ23
    400 16 310 565 515 482 4 32 16-φ25
    450 18 330 615 565 532 4 32 20-φ25
    500 20 350 680 620 585 4 34 20-φ25
    600 24 390 780 725 685 5 36 20-φ30
    700 28 430 895 840 800 5 40 24-φ30
    800 32 470 1010 950 905 5 44 24-φ34
    900 36 510 1110 1050 1005 5 46 28-φ34
    1000 40 550 1220 1160 1115 5 50 28-φ34

    D341F46法蘭襯氟塑料蝶閥主要外形尺寸

    公稱通經 L D D1 D2 f b Z-φd
    DN(mm) NPS(inch) PN1.6MPa
    40 3/2 106 145 110 85 3 18 4-φ18
    50 2 108 160 125 100 3 20 4-φ18
    65 5/2 112 180 145 120 3 20 4-φ18
    80 3 114 195 160 135 3 22 8-φ18
    100 4 127 215 180 155 3 24 8-φ18
    125 5 140 245 210 185 3 26 8-φ18
    150 6 140 280 240 210 3 28 8-φ18
    200 8 152 335 295 265 3 30 12-φ23
    250 10 250 405 355 320 3 32 12-φ25
    300 12 270 460 410 375 4 34 12-φ25
    350 14 290 520 470 435 4 38 16-φ25
    400 16 310 580 525 485 4 40 16-φ30
    450 18 330 640 585 545 4 44 20-φ30
    500 20 350 705 650 608 4 46 20-φ34
    600 24 390 840 770 718 5 54 20-φ41
    700 28 430 910 840 788 5 54 24-φ41
    800 32 470 1020 950 898 5 54 24-φ41
    900 36 510 1120 1050 998 5 54 28-φ41
    1000 40 550 1255 1170 1110 5 60 28-φ48
     
     

    聲明:【D341F46法蘭襯氟塑料蝶閥】規格型号、結構尺寸由上海凱利科閥門有限公司提供,如何選擇适用的D341F46法蘭襯氟塑料蝶閥産品,使之在工藝控制中安全可靠、經濟适用,可緻電我司銷售部門及技術部門,我們将在最短的時間内爲您解答!

    

    Copyright ©2011-2023 上海凱利科閥門有限公司,版權所有。 京ICP證000000号

    銷售電話:021-31001158

    手機号碼:13816746668 陳國輝/經理

    電子郵件:klkvalves@126.com@126.com

    主營産品:球閥,閘閥,蝶閥,截止閥,止回閥,調節閥

    本周熱門:不鏽鋼阻火器全天候呼吸閥氣動球閥氣動蝶閥氣動刀閘閥氣動調節閥電動球閥電動蝶閥電動刀閘閥電動調節閥不鏽鋼球閥不鏽鋼閘閥不鏽鋼截止閥不鏽鋼止回閥不鏽鋼電磁閥高壓電磁閥高壓球閥波紋管截止閥

    官方網址:www.fm058.com