首頁
公司介紹
新聞中心
組織機構
服務理念
售後服務
聯系我們
産品中心
jtgk.png

産品中心

FQ41F46襯氟放料球閥

您的位置:閥門 - 球閥 - FQ41F46襯氟放料球閥 更新時間:2026-01-12 02:01:03
FQ41F46襯氟放料球閥
    • 質量安全:壓力、材質、密封等全方位檢測确保質量過關!
    • 價格比較:在相同品質的情況下,廠裏直銷,更具有優勢!
    • 交貨快捷:常規産品現貨供應,生産加工銷售一條龍服務!
      上海凱利科閥門緻力于高品質閥門的設計、研發、生産銷售服務于一體的大型閥門企業,科技創新,永不止步,與您攜手共創輝煌...

    • 産品描述
    • 在線詢價
    • 技術咨詢
    FQ41F46襯氟放料球閥FQ41F46襯氟放料球閥

    FQ41F46襯氟放料球閥适用在-50℃~150℃的各種濃度的王水、硫酸、鹽酸、氫氟酸和各種有機酸、強酸、強氧化劑,FEP還适用于各種濃度的強堿有機溶劑以及其它腐蝕性氣體、液體介質的管路上使用。

    産品名稱: 襯氟放料球閥 産品型号: FQ41F46
    公稱通徑: DN15~DN300 結構形式: 球形
    公稱壓力: 1.6Mpa~6.4Mpa 連接方式: 法蘭
    适用溫度: ≤450ºC 驅動方式: 手動、氣動、電動
    閥體材質: 鑄鋼、不鏽鋼 制造标準: 國标GB、德國DIN、美國API、ANSI
    适用介質: 水、油、氣體、導熱油、液體 生産廠家: 上海凱利科閥門有限公司

    産品說明

    FQ41F46襯氟放料球閥适用在-50℃~150℃的各種濃度的王水、硫酸、鹽酸、氫氟酸和各種有機酸、強酸、強氧化劑,FEP還适用于各種濃度的強堿有機溶劑以及其它腐蝕性氣體、液體介質的管路上使用。爲各種強腐蝕性介質的啓閉控制而設計,閥門的兩端法蘭大小不等,一端爲标準法蘭一端爲與反應釜底放料孔配套的法蘭,很方便的就可以連接在反應釜底。其結構形式爲浮動直通式,連接形式爲法蘭,閥外殼采用碳鋼内襯氟塑料,閥球爲與閥杆一體式金屬嵌件外包氟塑料工藝制造,具有耐腐密封性好、啓閉靈活、快速的特點且外型美觀、強度高、經久耐用。

    産品特點

    采用軟密封密封及襯氟工藝,密封性能可靠
    2、體積小、重量輕、結構簡單、流阻小、安裝維修方便
    3、FQ41F46襯氟放料球閥采用電動控制非常方便,無需要借助人力,直接操作按鈕即可
    4、耐腐蝕:閥體内腔及理體均包襯2.5-3mm厚的F46,能耐酸、堿,氨氣、鹽水等強腐蝕介質。

    主要零部件材料

    零件名稱 材料名稱
    FQ41F46-Z FQ41F46-C FQ41F46-P FQ41F46-R FQ41F46-PL FQ41F46-RL
    閥體/閥蓋 HT250 WCB CF8 CF8M CF3 CF3M
    球體/閥杆 WCB WCB CF8 CF8M CF3 CF3M
    内襯材料 FEP(F46)、PCTFE(F3)、PTFE(F4)、PFA(可溶性聚四氟乙烯)、PO(聚烯烴)
    填料壓蓋 HT250 WCB CF8 CF8M CF3 CF3M
    填料 PTFE(F4)聚四氟乙烯
    螺栓 35 35 1Crl7Ni2 1Crl7Ni2 1Cr18Ni2 1Cr18Ni2
    緊固螺母 45 45 OCrl8Ni9 OCrl8Ni9 0Cr18Ni9 0Cr18Ni9
    操作手柄 WCB

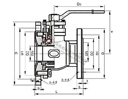
    外形結構圖

    主要外形連接尺寸

    公稱通徑 PN 0.6-1.6(MPa) 主要外形尺寸和連接尺寸 (mm) 重量
    DN L D D1 D2 f b z-φd D0 H kg
    32 140 135/160 100/130 78/115 3/3 18/20 4-φ14/4-φ18 200 130 9
    40 160 145/185 110/150 85/125 3/4 18/22 4-φ18/4-φ18 230 135 15
    79 标 50 170 160/205 125/170 100/140 3/4 20/24 4-φ18/4-φ18 250 140 18
    80 200 195/245 160/200 130/175 4/5 22/26 4-φ18/8-φ18 300 205 35
    69 标 50 170 160/230 125/190 100/140 3/4 20/24 4-φ18/8-φ14 250 140 18
    80 200 195/245 160/210 130/175 4/5 22/26 4-φ18/10-φ14 300 205 35
    100 280 215/280 180/240 150/210 4/5 24/28 8-φ18/8-φ23 350 230 44
     

    聲明:【FQ41F46襯氟放料球閥】規格型号、結構尺寸由上海凱利科閥門有限公司提供,如何選擇适用的FQ41F46襯氟放料球閥産品,使之在工藝控制中安全可靠、經濟适用,可緻電我司銷售部門及技術部門,我們将在最短的時間内爲您解答!

    上一篇:Q641F46氣動襯氟球閥 下一篇:GU真空球閥

    

    Copyright ©2011-2023 上海凱利科閥門有限公司,版權所有。 京ICP證000000号

    銷售電話:021-31001158

    手機号碼:13816746668 陳國輝/經理

    電子郵件:klkvalves@126.com@126.com

    主營産品:球閥,閘閥,蝶閥,截止閥,止回閥,調節閥

    本周熱門:不鏽鋼阻火器全天候呼吸閥氣動球閥氣動蝶閥氣動刀閘閥氣動調節閥電動球閥電動蝶閥電動刀閘閥電動調節閥不鏽鋼球閥不鏽鋼閘閥不鏽鋼截止閥不鏽鋼止回閥不鏽鋼電磁閥高壓電磁閥高壓球閥波紋管截止閥

    官方網址:www.fm058.com