首頁
公司介紹
新聞中心
組織機構
服務理念
售後服務
聯系我們
産品中心
jtgk.png

産品中心

Q41F德标法蘭球閥

您的位置:閥門 - 球閥 - Q41F德标法蘭球閥 更新時間:2026-01-12 02:01:04
Q41F德标法蘭球閥
    • 質量安全:壓力、材質、密封等全方位檢測确保質量過關!
    • 價格比較:在相同品質的情況下,廠裏直銷,更具有優勢!
    • 交貨快捷:常規産品現貨供應,生産加工銷售一條龍服務!
      上海凱利科閥門緻力于高品質閥門的設計、研發、生産銷售服務于一體的大型閥門企業,科技創新,永不止步,與您攜手共創輝煌...

    • 産品描述
    • 在線詢價
    • 技術咨詢
    Q41F德标法蘭球閥Q41F德标法蘭球閥

    Q41F德标法蘭球閥用于截斷或接通管路中的介質,選用不同的材質,可分别适用于水、蒸汽、油品、液化氣、天然氣、煤氣、硝酸、醋酸、氧化性介質、尿素等多種介質。

    産品名稱: 德标法蘭球閥 産品型号: Q41F
    公稱通徑: DN15~DN250 結構形式: 球形
    公稱壓力: 10K-20K 連接方式: 法蘭
    适用溫度: -20~+100℃~+550℃ 驅動方式: 手動、蝸輪、氣動、電動
    閥體材質: 鑄鋼、不鏽鋼 制造标準: 國标GB、德國DIN、美國API、ANSI
    适用介質: 水、蒸汽、燃氣、氣體及腐蝕性液體等 生産廠家: 上海凱利科閥門有限公司

    産品說明

    Q41F德标法蘭球閥用于截斷或接通管路中的介質,選用不同的材質,可分别适用于水、蒸汽、油品、液化氣、天然氣、煤氣、硝酸、醋酸、氧化性介質、尿素等多種介質。德标球閥具有很小的轉動力矩就能關閉嚴密。完全平等的閥體内腔爲介質提供了阻力很小、直通的流道。德标球閥的主要特點是本身結構緊湊,易于操作和維修,适用于水、溶劑、酸和天然氣等一般工作介質,而且還适用于工作條件惡劣的介質,如氧氣過氧化氫、甲烷和乙烯等。 

    産品标準

    設計标準Design: DIN 3357 EN 12516-1
    壁厚标準Wall Thickness: ASME B16.34 EN 12516-1
    防火标準Fire Safe: API 307 ISO 10497
    結構長度Face to Face: DIN 3202
    法蘭标準End Flange: DIN EN 1092-1
    檢測标準/Inspection & Testing: DIN 3230 EN 12266

    産品特點

    閥杆帶有防靜電設置 Ante-Static Devices For Ball-Stem-Body
    閥杆帶有防脫出裝置設計 Blow-out Proof stem
    鋼球球槽上有洩壓孔設計 Pressure Balance Hole in Ball Slot
    采用Iso 5211 支架安裝執行器平台設計
    Built in ISO 5211 Bracket Mount For Easy Automation

    主要材料表

    名稱 材質
           ANSI/JIS/DIN ANSI/JIS/DIN ANSI/JIS/DIN
    閥體 A351-CF8M/SCS14A/1.4408 A351-CF8/SCS13A/1.4308 A216-WCB/SCPH2/1.0619
    閥蓋 A351-CF8M/SCS14A/1.4408 A351-CF8/SCS13A/1.4308 A216-WCB/SCPH2/1.0619
    SUS316  SUS304
    六角螺母 A194-8
    彈性墊片 SUS304
    密封圈 PTFE/VITON
    閥座 PTFE/RPTFE/PPL
    閥杆 SUS316  SUS304
    O型圈 FKM(VITON)
    止推墊 PTFE/RPTFE
    填料 PTFE/GRAFOIL
    蝶簧 SUS304
    閥杆螺母 A194-8
    填料壓蓋 SUS304
    手柄 SUS201
    定位杆 SUS304
    内六角圓柱頭螺釘 SUS304
    六角螺母 A194-8
    雙頭螺栓 A193-B8

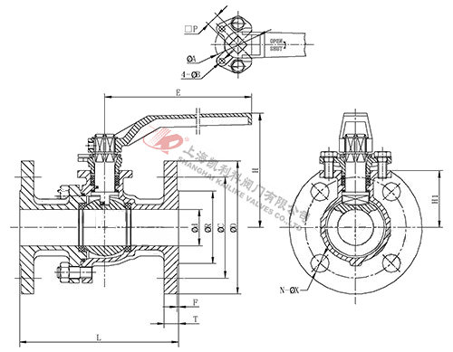
    外形結構圖

    外形尺寸表

    Size PN d L R C D H H1 E F T □P ø A ØB N ØX ISO 5211
    DN15 10-40 15 115 45 65 95 78 34 150 2 14 11 42 4 4 14 F04
    DN20 10-40 20 120 58 75 105 80 35 150 2 16 11 42 4 4 14 F04
    DN25 10-40 25 125 68 85 115 88 45 150 2 16 11 42 4 4 14 F04
    DN32 10-40 32 130 78 100 140 100 50 170 2 16 14 50 5 4 18 F05
    DN40 10-40 38 140 88 110 150 122 60 230 3 16 17 70 6 4 18 F07
    DN50 10-40 50 150 102 125 165 130 68 230 3 18 17 70 6 4 18 F07
    DN65 10-16 65 170 122 145 185 148 86 230 3 18 17 70 6 4 18 F07
    DN80 10-16 78 180 138 160 200 167 96 305 3 20 22 102 8 8 18 F10
    DN100 10-16 100 190 158 180 220 188 117 305 3 20 22 102 8 8 18 F10
    DN125 10-16 125 325 188 210 250 246 141 500 3 22 22 125 10 8 18 F12
    DN150 10-16 150 350 212 240 285 288 172 650 3 22 27 125 10 8 22 F12
    DN200 10-16 200 400 268 295 340 329 213 850 3 24 27 125 10 12 22 F12
    DN250 10-16 250 450 320 355 405 396 255 1400 3 26 36 140 14 12 26 F14
     

    聲明:【Q41F德标法蘭球閥】規格型号、結構尺寸由上海凱利科閥門有限公司提供,如何選擇适用的Q41F德标法蘭球閥産品,使之在工藝控制中安全可靠、經濟适用,可緻電我司銷售部門及技術部門,我們将在最短的時間内爲您解答!

    上一篇:Q41F德标球閥 下一篇:Q41F鑄鐵球閥

    

    Copyright ©2011-2023 上海凱利科閥門有限公司,版權所有。 京ICP證000000号

    銷售電話:021-31001158

    手機号碼:13816746668 陳國輝/經理

    電子郵件:klkvalves@126.com@126.com

    主營産品:球閥,閘閥,蝶閥,截止閥,止回閥,調節閥

    本周熱門:不鏽鋼阻火器全天候呼吸閥氣動球閥氣動蝶閥氣動刀閘閥氣動調節閥電動球閥電動蝶閥電動刀閘閥電動調節閥不鏽鋼球閥不鏽鋼閘閥不鏽鋼截止閥不鏽鋼止回閥不鏽鋼電磁閥高壓電磁閥高壓球閥波紋管截止閥

    官方網址:www.fm058.com