
BX43W瀝青專用保溫旋塞閥
BX43W瀝青專用保溫旋塞閥主要用于瀝青管路上,作爲開啓或關閉或切換作用。通過保溫夾層加循環蒸汽、或熱水、或導熱油來保證瀝青不結晶,從而保護瀝青在管路上正常流動。廣泛地應用于油田開采、輸送和精練設備中,同時也廣泛用于石油化工、化工、煤氣、天然氣、液化石油氣、暖通行業以及一般工業中。
| 産品名稱: | 瀝青專用保溫旋塞閥 | 産品型号: | BX43W |
| 公稱通徑: | DN50~DN200 | 結構形式: | 圓柱形或圓錐形 |
| 公稱壓力: | 1.0MPa | 連接方式: | 法蘭 |
| 适用溫度: | -29ºC~+250ºC | 驅動方式: | 手動、電動 |
| 閥體材質: | 鑄鋼、不鏽鋼 | 制造标準: | 國标GB、德國DIN、美國API、ANSI |
| 适用介質: | 瀝青、易凝固、易結晶等介質 | 生産廠家: | 上海凱利科閥門有限公司 |
| 型号 |
公稱壓力 PN(MPa) |
試驗壓力PS(MPa) | 适用介質 | 工作溫度(℃) | |
| 殼體 | 密封 | ||||
| BX43W-1.6C | 1.6 | 2.0 | 1.6 | 瀝青及厚質油類 | ≤425 |
| BX44W-1.6C | 1.6 | 2.0 | 1.6 | ||
|
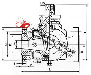
公稱通徑 DN(mm) |
L | D | D1 | D2 | b | F | n-φd | H | S | |
| 50 | 二通 | 250 | 160 | 125 | 100 | 18 | 3 | 4-φ18 | 250 | 30×30 |
| 三通 | 250 | 160 | 125 | 100 | 18 | 3 | 4-φ18 | |||
| 65 | 二通 | 300 | 180 | 145 | 120 | 20 | 3 | 4-φ18 | 280 | 40×40 |
| 三通 | 300 | 180 | 145 | 120 | 20 | 3 | 4-φ18 | |||
| 80 | 二通 | 300 | 195 | 160 | 135 | 20 | 3 | 8-φ18 | 320 | 45×45 |
| 三通 | 300 | 195 | 160 | 135 | 20 | 3 | 8-φ18 | |||
| 100 | 二通 | 325 | 215 | 180 | 155 | 22 | 3 | 8-φ18 | 350 | 52×52 |
| 三通 | 325 | 215 | 180 | 155 | 22 | 3 | 8-φ18 | |||
| 125 | 二通 | 350 | 245 | 210 | 185 | 22 | 3 | 8-φ18 | 405 | 62×62 |
| 三通 | 350 | 245 | 210 | 185 | 22 | 3 | 8-φ18 | |||
| 150 | 二通 | 400 | 280 | 240 | 210 | 24 | 3 | 8-φ23 | - | 68×68 |
| 三通 | 400 | 280 | 240 | 210 | 24 | 3 | 8-φ23 | |||
| 200 | 二通 | 450 | 335 | 295 | 265 | 26 | 3 | 12-φ23 | - | 75×75 |
| 三通 | 450 | 335 | 295 | 265 | 26 | 3 | 12-φ23 | |||
聲明:【BX43W瀝青專用保溫旋塞閥】規格型号、結構尺寸由上海凱利科閥門有限公司提供,如何選擇适用的BX43W瀝青專用保溫旋塞閥産品,使之在工藝控制中安全可靠、經濟适用,可緻電我司銷售部門及技術部門,我們将在最短的時間内爲您解答! |