首頁
公司介紹
新聞中心
組織機構
服務理念
售後服務
聯系我們
産品中心
jtgk.png

産品中心

ZLF自力式平衡閥

您的位置:閥門 - 平衡閥 - ZLF自力式平衡閥 更新時間:2026-01-12 02:01:55
ZLF自力式平衡閥
    • 質量安全:壓力、材質、密封等全方位檢測确保質量過關!
    • 價格比較:在相同品質的情況下,廠裏直銷,更具有優勢!
    • 交貨快捷:常規産品現貨供應,生産加工銷售一條龍服務!
      上海凱利科閥門緻力于高品質閥門的設計、研發、生産銷售服務于一體的大型閥門企業,科技創新,永不止步,與您攜手共創輝煌...

    • 産品描述
    • 在線詢價
    • 技術咨詢
    ZLF自力式平衡閥ZLF自力式平衡閥

    ZLF自力式平衡閥是一種利用介質本身的壓力變化來進行自我調控,從而保持流經該被控系統流量不變的閥門,ZLF自立式平衡閥具有流量指示,可在線調節,适用于供熱及空調系統等非腐蝕性介質的流量控制。運行前一次性測試調節,可使系統流量自動恒定在預先設置的設定值。ZLF自力式平衡閥流量調節準确,操作簡單,運作平穩,性能可靠,使用壽命長。

    産品名稱: 自力式平衡閥 産品型号: ZLF
    公稱通徑: DN15~DN350 功能作用: 平衡流量
    公稱壓力: 1.6MPa 連接方式: 法蘭式、内螺紋
    适用溫度: -0ºC~+80ºC 驅動方式: 自力式
    閥體材質: 球墨鑄鐵、鑄鋼、不鏽鋼 制造标準: 國标GB、德國DIN、美國API、ANSI
    适用介質: 水、油、液體等 生産廠家: 上海凱利科閥門有限公司

    産品說明

    ZLF自力式平衡閥是一種利用介質本身的壓力變化來進行自我調控,從而保持流經該被控系統流量不變的閥門,ZLF自立式平衡閥具有流量指示,可在線調節,适用于供熱及空調系統等非腐蝕性介質的流量控制。運行前一次性測試調節,可使系統流量自動恒定在預先設置的設定值。ZLF自力式平衡閥流量調節準确,操作簡單,運作平穩,性能可靠,使用壽命長。

    産品特點

    1、可按設計要求或實際要求設定流量,自動消除系統的壓差波動,保持流量不變。
    2、克服系統冷熱不均現象,提高供冷水(熱水)的質量。
    3、徹底解決近端壓差大,遠差壓差的矛盾。
    4、減少系統循環水量,減低系統阻力。
    5、減少設計工作量,不需對管道進行繁瑣的水力平衡計算,管網設計簡單,維修方便,節約造價。
    6、采用先進的技術膜片,理論誤差爲零,且可承受0.8的壓差,整圈流量顯示均爲測試值。

    零部件材料

    零件名稱 材料
    閥體、閥蓋 灰鑄鐵、球鐵、鑄鋼、不鏽鋼
    閥杆 不鏽鋼
    閥瓣 鑄銅
    膜片 丁腈橡膠

    性能規範

    型号 ZLF-16
    公稱壓力 1.6 MPa
    殼體試驗壓力 2.4MPa
    使用介質 水、油等非腐蝕性液體
    介質溫度 0-80℃

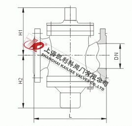
    外形結構圖

    主要外形尺寸

    産品型号 公稱通徑 (mm) L H1 H2 流量控制範圍 m3/h
    ZLF-16 15 110 122 70 0.1~1
    ZLF-16 20 110 122 70 0.1~1.5
    ZLF-16 25 115 137 74 0.2~2
    ZLF-16 32 160 182 91 0.5~4
    ZLF-16 40 200 191 147 1~6
    ZLF-16 50 215 197 147 2~10
    ZLF-16 65 230 205 154 3~15
    ZLF-16 80 275 259 181 5~25
    ZLF-16 100 290 268 211 10~35
    ZLF-16 125 315 334 227 15~50
    ZLF-16 150 350 357 260 30~80
    ZLF-16 200 430 407 303 40~180
    ZLF-16 250 520 452 367 100~300
    ZLF-16 300 635 486 430 150~500
    ZLF-16 350 670 555 495 200~700

    安裝示意圖


    聲明:【ZLF自力式平衡閥】規格型号、結構尺寸由上海凱利科閥門有限公司提供,如何選擇适用的ZLF自力式平衡閥産品,使之在工藝控制中安全可靠、經濟适用,可緻電我司銷售部門及技術部門,我們将在最短的時間内爲您解答!

    

    Copyright ©2011-2023 上海凱利科閥門有限公司,版權所有。 京ICP證000000号

    銷售電話:021-31001158

    手機号碼:13816746668 陳國輝/經理

    電子郵件:klkvalves@126.com@126.com

    主營産品:球閥,閘閥,蝶閥,截止閥,止回閥,調節閥

    本周熱門:不鏽鋼阻火器全天候呼吸閥氣動球閥氣動蝶閥氣動刀閘閥氣動調節閥電動球閥電動蝶閥電動刀閘閥電動調節閥不鏽鋼球閥不鏽鋼閘閥不鏽鋼截止閥不鏽鋼止回閥不鏽鋼電磁閥高壓電磁閥高壓球閥波紋管截止閥

    官方網址:www.fm058.com